
全國服務熱線



19926637039
簡單介紹:MFB-MPSFS2防水防爆系列磁電編碼器為測量電機旋轉位置的內部非接觸式多圈絕 對 值編碼器,產品為米朗科技自主研發的磁感應多圈傳感器,并加入信號調理及算法,計算 絕 對 角度,可在水下100米里長期正常工作。詳情介紹:
一、防水防爆型磁感應多圈絕 對值角度傳感器概述:
MFB-MPSFS2防水防爆系列磁電編碼器為測量電機旋轉位置的內部非接觸式絕 對 值編碼器,產品為米朗科技自主研發的磁感應多圈傳感器,并加入信號調理及算法,計算 絕 對 角度,可在水下100米里長期正常工作。
二、防水防爆型磁感應多圈絕 對值角度傳感器產品特性:
● 信號輸出:RS485半雙工通信,4-20mA,0-5V,0-10V
● 支持(max)轉速600rmp
● 體積小
● 抗污染能力強
● 絕 對 值輸出,數據掉電記憶
● 防護等級IP68,可在水下100米里長期正常工作
三、防水防爆型磁感應多圈絕 對值角度傳感器應用領域:
● 伺服控制系統
● 機器手臂
● 位置測量
● 工業自動化控制
● 直流電機
四、防水防爆型磁感應多圈絕 對值角度傳感器電氣技術規格:
技術規格 | 模擬輸出 | 數字輸出 |
輸出信號 | 0~5V/0~10V/4~20mA | RS485 |
電源電壓 | +12~24VDC | +12~24VDC |
分辨率 | 0.09° | 0.09° |
可標定圈數范圍 | 1~40圈 | 1~4080圈 |
線性精度 | ≤0.2%F.S. | ≤0.2%F.S. |
旋轉方向 | 順時針/逆時針 | |
允許旋轉速度 | ≤600rpm | |
響應頻率 | 100Hz | |
防護等級 | IP68 | |
工作環境溫度 | -40℃~85℃ | |
防爆標志 | Ex db IIC T6 Gb | |
注:電源打開后因內部電路的初期化,請在上電50msec后,再輸入命令。每次斷電與上電保持間隔大于10秒。
防爆證書:
五、防水防爆型磁感應多圈絕 對值角度傳感器選型指導:
六、防水防爆型磁感應多圈絕 對值角度傳感器接線方式:
接線顏色 | 功能說明 | 備注 |
紅色 | 電源正VCC | +12V~24VDC |
黑色 | 電源負GND | 0V |
綠色 | RS485-A/OUT+ | 信號輸出 |
白色 | RS485-B/OUT- | 信號輸出 |
屏蔽層 | 接外殼 | 接地 |
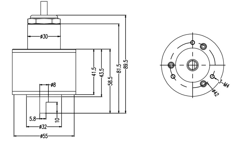
七、防水防爆型磁感應多圈絕 對值角度傳感器安裝尺寸:



