九九久久国产I精品亚洲二区I国产婷婷久久I久久视频在线观看I九九热久久免费视频I黄av免费在线观看

深水型(磁感應)拉線位移傳感器

咨詢手機(同微信):19926637039
一站式位移,角度,傾角,液位等傳感器     (米朗科技宣傳片觀看入口)
和機械潤滑油泵解決方案的產品和服務工業強基重點產品,工信部傳感器一條龍應用計劃示范企業(米朗科技)工信部高精度傳感器一條龍應用計劃示范項目
國家級專精特新“小巨人”,國家級高新技術企業!
您的位置:主頁  > 產品展示  > 拉繩防水/防爆/本安型系列傳感器《可非標定制》  > MPSFS2-M防水絕 對值型拉線式位移傳感器

分類欄目

全國服務熱線

19926637039
MPSFS2-M防水絕 對值型拉線式位移傳感器
防水型(磁感應)拉繩位移傳感器,采用米朗公司自主研發多圈磁感應絕 對值編碼器,內部使用高強度灌封膠封裝,從而保證磁感應絕 對值編碼器能夠在水下長期正常工作。防水絕 對值型拉線式位移傳感器零部件均采用在水內永不生銹材料制作,如:不銹鋼發條
全國熱線

19926637039

詳細信息

一、MPSFS2防水絕 對值型拉線式位移傳感器產品特征:

1、防水型(磁感應)拉繩位移傳感器,采用米朗公司自主研發多圈磁感應絕 對值編碼器,內部使用高強度灌封膠封裝,從而保證磁感應絕 對值編碼器能夠在水下長期正常工作。

2、整個產品零部件均采用在水內永不生銹材料制作,如:不銹鋼發條和拉繩,鋁合金外殼和線輪,塑料發條外殼,陶瓷軸承。

3、S機座和M機座系列產品往復運動的瞬間加速不可超過1米/秒;L機座和XL機座系列產品往復運動的瞬間加速不可超過0.5米/秒;否則將導致鋼索斷裂。

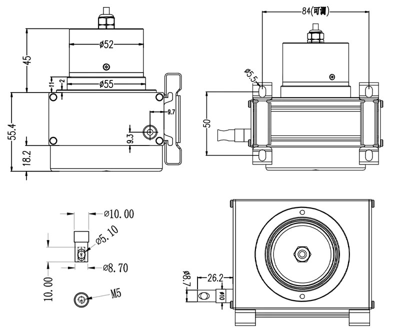
四、產品安裝尺寸

五、選型指導:

六、安裝注意事項:

1、利用底部4個固定螺絲孔,依現場及機器安裝空間設施需要,直接安裝或另加保護或其他機械使用。

2、不銹鋼索安裝時,須注意水平角度,亦即盡量使鋼索由出線口至移動部位之機構,于工作時水平滑動。

3、保持較小角度(容許偏差+/-3°)以確保量測精度及鋼索之壽命。

鋼索本體是不銹鋼加涂氟層,請勿讓其受外力的割傷﹑燒損﹑撞擊等不當之事發生:過量的粉塵﹑積屑或是足以破壞鋼索的物品貯留于內部的滑輪或出線口將造成鋼索破損,導致運轉不順的故障。

4、未安裝于工作臺或固定坐前,請勿用手或是其它產品將鋼索拉出并讓其瞬間自行彈回.此舉將造成鋼索斷裂,傷害本體結構及人身 安 全。

5、若使用于非直線運動的機構,請加裝適當的滑輪運轉。

6、若使用于環境惡劣或特殊場合,請自行加裝保護機構。


七、應用范圍:

裂縫測量監測,橋梁測量監測,倉儲位置定位,水庫大壩保護,閘門開度控制,壓力機械,造紙機械,紡織機械,金屬板材機械,包裝機械,印刷機械,水平控制儀,建筑機械,工業機器人,射出機,木工機械,電梯,空氣壓縮機/油壓機,高度機,X-Y軸及其它長度位移,液位等相關尺寸量測和位置控制。

熱品推薦/ Hot product
KTC1拉桿式直線位移傳感器

KTC1拉桿式直線位移傳感器

KTC1拉桿式直線位移傳感器(別名:電子尺,電阻尺,電位器,位移傳感器)原理:電位計原理,所有傳感器為位置測量型,用于調節.
預應力千斤頂專用位移傳感器

預應力千斤頂專用位移傳感器

預應力千斤頂專用位移傳感器(別名:電子尺,電阻尺,電位器,位移傳感器)原理:電位計原理,所有傳感器為位置測量型,用于調.
MPS-S系列拉繩位移傳感器

MPS-S系列拉繩位移傳感器

MPS-S拉線位移傳感器,又稱拉繩編碼器,拉繩尺,拉線尺,拉線編碼器,拉繩位移傳感器,是直線位移傳感器在結構上的精巧.
MPSFS2-M防水絕 對值型拉線式位移傳感器

MPSFS2-M防水絕 對值型拉線式位移傳感器

一、MPSFS2防水絕 對值型拉線式位移傳感器產品特征:1、防水型(磁感應)拉繩位移傳感器,采用米朗公司自主研發多圈.