
全國服務熱線

19926637039
KPF法蘭式位移傳感器(別名:電子尺,電阻尺,電位器,位移傳感器)原理:電位計原理,所有傳感器為位置測量型,用于調節系統(控制系統)和測量系統中,對位移和長度進行直接測量,輸出直流電壓信號,也可以通過內置或者外置的V/A變送模塊將信號轉換成標準的0-5V、0-10V或者4-20mA直流信號,也可以遠距離傳輸控制要求。KPF法蘭式位移傳感器(別名:電子尺,,電阻尺,電位器,位移傳感器)輸出位移變化:0-100%給定輸入工作電壓(隨位移變化而變化)。
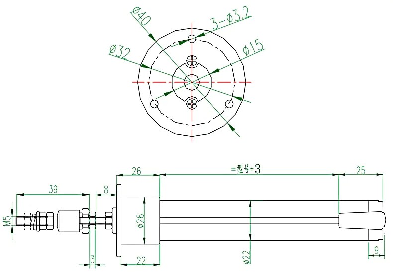
KPF法蘭式位移傳感器的參數及安裝尺寸圖:

KPF法蘭式位移傳感器的輸出類型:
電阻輸出型(電位器):5kΩ 10KΩ
電壓輸出型(外置/內置模塊):0-5V 0-10V
電流輸出型(外置/內置模塊):4-20MA (二線制,三線制)
數字信號(外置/內置模塊):RS485
KPF法蘭式位移傳感器的應用范圍:
應用范圍:KPF是微型拉桿式法蘭面安裝結構。適合設備腔體內部檢測,如:煤炭機械、液壓機械、腔體內部位置檢測等。



