
全國服務熱線



19926637039
一、工作原理:
電渦流傳感器系統的工作原理是電渦流效應,屬于一種電感式測量原理。電渦流效應源自振蕩電路的能量。而電渦流需要在可導電的材料內才可以形成。給傳感器探頭內線圈導入一個交變電流,可以在探頭線圈周圍形成一個磁場。如果將一個導體放入這個磁場,根據法拉第電磁感應定律,導體內會激發出電渦流。根據楞茲定律,電渦流的磁場方向與線圈磁場正好相反,而這將改變探頭內線圈的阻抗值。這個阻抗值的變化與線圈到被測物體之間的距離直接相關。傳感器探頭連接到控制器后,控制器可以從傳感器探頭內獲得電壓值的變化量,并以此為依據,計算出對應的距離值,電渦流測量原理可以測量所有導電材料。由于電渦流可以穿透絕緣體,即使表面覆蓋有絕緣體的金屬材料,也可以作為電渦流傳感器的被測物體。獨特的圈式繞組設計在實現傳感器外形較致緊湊的同時,可以滿足其運轉于高溫測量環境的要求。
二、應用范圍:
通過測量金屬被測體與探頭端的相對位置、電渦流位移傳感器感應并處理成相應的電信號輸出。傳感器可長期可靠工作、靈敏度高、抗干擾能力強、非接觸測量、響應速度快不受油水等介質的影響,在大型旋轉機械的軸位移、軸振動、軸轉速等參數進行長期實時監測中被廣泛應用,并且被擴展到衛星發射、材料鑒定、稱重測量、金屬板厚測量、材料形變量等應用領域。
三、性能參數:
測量量程 | 1mm | 2mm | 4mm | 5mm | 12.5mm | 20mm | 25mm | 50mm |
探頭直徑 (標準式) | Φ6mm | Φ8mm | Φ11mm | Φ17mm | Φ30mm | Φ40mm | Φ50mm | Φ60mm |
探頭直徑 (沉頭式) | Φ8mm | Φ8mm | Φ11mm | Φ17mm | / | / | / | / |
探頭直徑 (方形式) | Φ8mm | Φ8mm | Φ13mm | Φ19mm | / | / | / | / |
探頭直徑 (圓形式) | / | / | / | / | Φ30mm | Φ40mm | Φ50mm | Φ60mm |
線性誤差 (%FS) | ≤±0.25 | ≤±0.25 | ≤±0.5 | ≤±0.5 | ≤±1 | ≤±1 | ≤±1 | ≤±2 |
重復性 | 0.5um | 0.5um | 1um | 1um | 2um | 2~4um | 2~4um | 2~5um |
頻率響應 | 0~10KHz | 0~8KHz | 0~2KHz | 0~1KHz | ||||
輸出信號 | 0~5V,0~10V,4~20mA,RS485 | |||||||
供電電壓 | 電壓型+9~36VDC或±15VDC可選 | |||||||
| 電流型+22~30VDC,RS485型+12VDC | |||||||
工作電流 | 電壓型<45mA,電流型<25mA,RS485型<40mA | |||||||
紋波 | ≤20mV | |||||||
系統溫漂 | 根據輸出信號和對應量程等因素而定 | |||||||
靜態靈敏度 | 根據輸出信號和對應量程等因素而定 | |||||||
輸出負載 | 電壓輸出:負載能力<10KΩ,電流輸出:負載能力<500Ω | |||||||
標定時 環境溫度 | (20±5)℃ | |||||||
使用溫度 | 探頭-30℃~+110℃ 前置器-30℃~+85℃ | |||||||
防護等級 | 探頭 IP67 前置器 IP65 | |||||||
探頭電纜 | 默認2m,可定制 | |||||||
電源電纜 | 默認2m,可定制 | |||||||
分辨率:

四、接線定義:
| 電流型 | 電壓型 | RS485 |
棕線 | 電源正 +24VDC | 電源正 +12VDC或+24VDC | 電源正 +12VDC |
黑線 | 空 | 電源負 0V | 電源負 0V |
藍線 | 電流輸出 OUT | 輸出正 OUT+ | RS485 A+ |
白線 | 空 | 輸出負 OUT- | RS485 B- |
屏蔽線 | 接大地 GND | 接大地 GND | 接大地 GND |
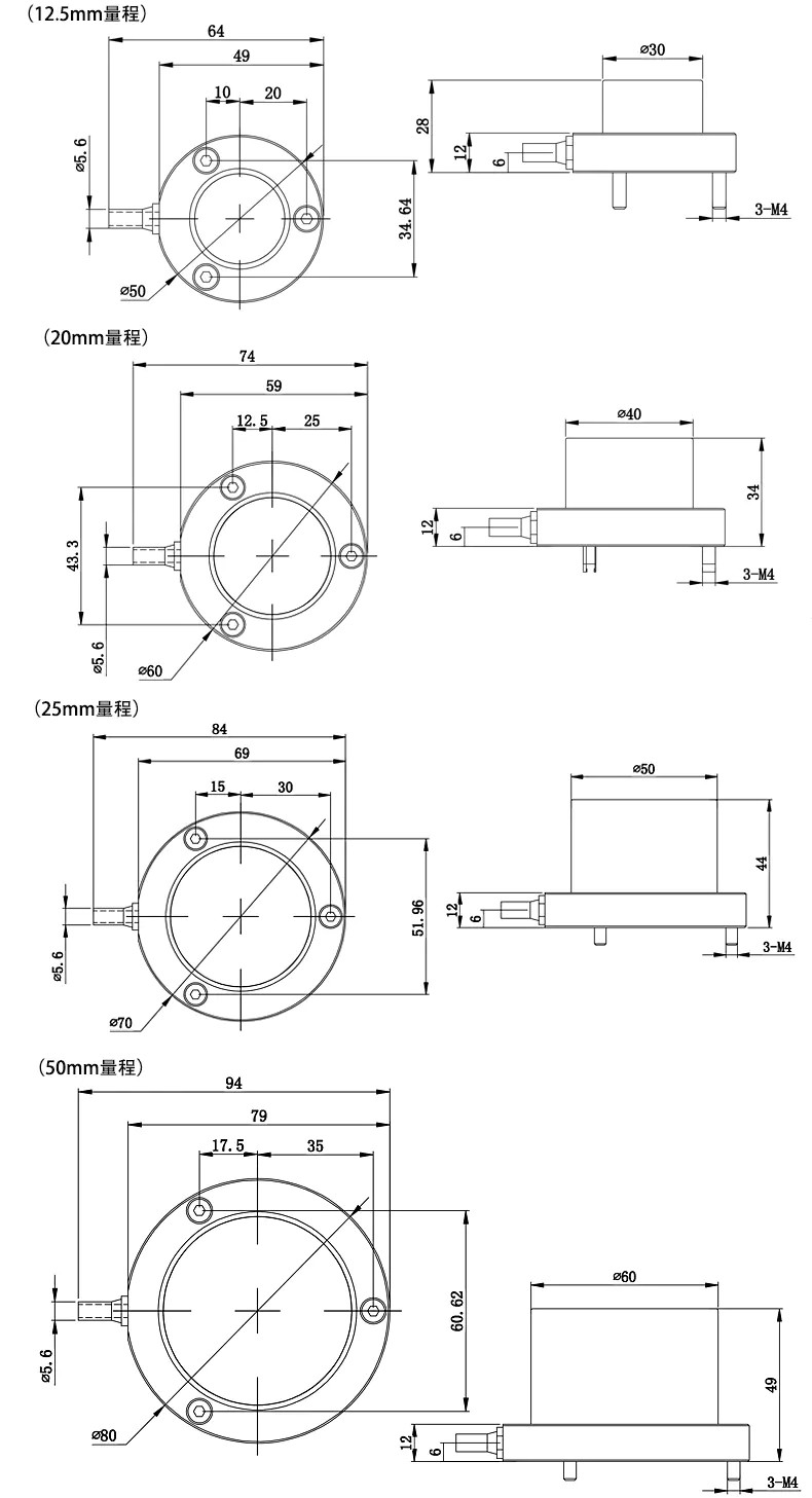
五、產品尺寸
ML33傳感器系統有探頭、前置器、電纜以及附件組成。
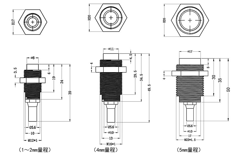
1、電渦流傳感器探頭
標準型探頭安裝尺寸:

在制作過程中,探頭頭部體一般采用耐高溫PPS工程塑料,通過“二次注塑”成型將線圈密封其中。使探頭在惡劣的環境中能可靠工作。由于頭部體線圈直徑決定傳感器系統的線性量程,因此我們通常用頭部體外部直徑來分類和表征各型號探頭,一般情況下傳感器系統的線性量程大致是探頭頭部直徑的1/2~1/4倍。ML33系列傳感器探頭見圖所示(標準型):
量程 | 探頭直徑 | 探頭長度 | 殼體長度 | 安裝類型 | 螺紋規格 |
1mm | Φ6mm探頭 | 5mm | 30mm | 標準 | M8X1.0 |
2mm | Φ8mm探頭 | 7mm | 30mm | 標準 | M9X1.0 |
4mm | Φ11mm探頭 | 8mm | 50mm | 標準 | M14X1.5 |
5mm | Φ17mm探頭 | 11mm | 50mm | 標準 | M18X1.0 |
12.5mm | Φ30mm探頭 | 27mm | 40mm | 反裝 | M14X1.5 |
20mm | Φ40mm探頭 | 33mm | 40mm | 反裝 | M14X1.5 |
25mm | Φ50mm探頭 | 42mm | 50mm | 反裝 | M18X1.5 |
50mm | Φ60mm探頭 | 47mm | 50mm | 反裝 | M18X1.5 |
探頭殼體用于連接和固定探頭頭部,并用為探頭安裝時的裝夾結構。殼體一般采用304不銹鋼工藝制成,上面刻有標準螺紋,并備有鎖緊螺母。為了能適應不同的應用和安裝場合,探頭殼體具有不同的形式和不同的螺紋及尺寸規格。
沉頭式探頭安裝尺寸:
方形式探頭安裝尺寸:
圓形式探頭安裝尺寸:

2、電渦流傳感器前置器
前置器是整個傳感器系統的信號處理中心。一方面,前置器為探頭線圈提供高頻交流激勵電流使探頭工作;另一方面,前置器通過特殊電路感應出探頭頭部體與頭部體前金屬導體的間隙變化,經過前置器的處理,產生隨間隙線性變化而變化的電壓或電流輸出信號。
ML33系列前置器外形尺寸圖:
六、選型指導:

七、注意事項
探頭的安裝
●安裝探頭時,您應注意以下幾個問題:
口各探頭間的距離 口探頭與安裝面的距離
口安裝支架的選擇 口探頭安裝間隙
口探頭所帶電纜的安裝 口電纜轉接頭的密封與絕緣
口探頭的抗腐蝕性 口探頭的高壓環境
●各探頭間的距離
當探頭頭部線圈中通過電流時,在頭部周圍會產生交變磁場,因此在安裝時要注意兩個探頭的安裝距離不能太近,否則兩探頭之間會通過磁場互相干擾(如下圖各探頭間的距離所示),在輸出信號上迭加兩探頭的差頻信號,造成測量結果的失真,這種情況我們稱之為相鄰干擾。排除相鄰干擾有關的因素:被測體的形狀,探頭的頭部直徑以及安裝式。通常情況下探頭之間的zui小距離見下表。


1、對探頭安裝間隙的要求:
安裝探頭時,應考慮傳感器的線性測量范圍和被測間隙的變化量,當被測間隙總的變化量與傳感器的線性工作范圍接近時,尤其要注意(在訂貨選型時應使所選的傳感器線性范圍大于被測間隙的15%以上)。通常,測量振動時,將探頭的安裝間隙設在傳感器的線性中點;測量位移時,要根據位移往哪個方向變化或往哪個方向的變化量較大來決定其安裝間隙的設定。 當位移向遠離探頭端部的方向變化時,安裝間隙應設定在線性近端;反之,則應設在線性遠端。
調整探頭安裝間隙可以采用下列方法:
連接好探頭、延伸電纜、前置器,接通傳感器系統電源,用萬用表電壓檔監測前置器的輸出,同時調節探頭與被測面的間隙,當前置器的輸出等于安裝間隙所對應的電壓或電流時(該值可由傳感器校準數據單中查得),再擰緊探頭所帶的兩個緊固螺母即可。
通過測量前置器輸出電壓來確定安裝間隙,有可能會產生一種假象:當探頭頭部還未露出安裝孔時,由于安裝孔周圍的金屬影響,可能使得前置器的輸出等于安裝間隙所對應的電壓或電流輸出值。探頭調整到正確的安裝位置,前置器的輸出應該是:首先是較大的飽和輸出(此時探頭還未放進安裝孔中),然后是較小的輸出(此時探頭放進安裝孔內),繼續將探頭塞進安裝孔,前置器的輸出會變為較大的輸出( 此時探頭頭部露出安裝孔,但與被測面的間隙較大),再繼續塞進探頭,前置器的輸出等于安裝間隙所對應的值,此時探頭才是正確的安裝間隙。
2、對初始間隙的要求:
各種型號電渦流傳感器,都是在一定的間隙電壓值下它的讀數才有較好的線性度,所以在安裝傳感器時必須調整好合適的初始間隙,對每一套產品都會進行特性試驗,繪出相應的特性曲線,工程技術人員在使用傳感器的時候必須仔細研究配套的校驗證書,認真分析特性曲線,以確定傳感器是否滿足所要測量的間隙,一般傳感器直徑越大所測量間隙也越大。
3、對探頭支架的要求:
電渦流傳感器安裝在固定支架上,因此支架的好壞直接決定測量的效果,這就要求支架應有足夠的剛度以提高自振頻率,避免或減小被測體振動時支架也同時受激自振,支架的自振頻率至少應為機械旋轉速度的10倍,支架應與被測表面切線方向平行,傳感器垂直安裝在支架上,雖然探頭的中心線在垂直方向偏15°角時對系統特性沒有影響,但較好還是保證傳感器與被測面垂直。
4、被測體材料對傳感器測量結果的影響:
傳感器特性與被測體的電導率磁導率有關,當被測體為導磁材料(如普通鋼、結構鋼等)時,由于渦流效應和磁效應同時存在,且磁效應反作用于渦流效應,使得渦流效應減弱,即傳感器的靈敏度降低。而當被測體為弱導磁材料(如銅,鋁,合金鋼等)時,由于磁效應弱,相對來說渦流效應要強,因此傳感器感應靈敏度要高。
銅: 14.9V/mm
鋁: 14.0V/mm
不銹鋼(1Cr18Ni9Ti): 10.4V/mm
45號鋼: 8.2V/mm
40CrMo鋼: 8.0V/mm
5、被測體表面加工狀況對傳感器測量結果的影響:
被測體正對探頭的表面光潔度也會影響測量結果!不光滑的被測體表面,在實際的測量應用中會帶來較大的附加誤差,特別是對于振動測量,誤差信號與實際的振動信號疊加一起,并且在電氣上很難分離,因此被測表面應該光潔,不應存在刻痕、洞眼、凸臺、凹槽等缺陷(對于特意為鍵相器、轉速測量設置的凸臺或凹槽除外)。一般對于振動測量的被測表面粗糙度要求在0.4um~0.8um之間;對于位移測量被測表面粗糙度要求在0.4um~1.6um之間。如果不能滿足,需要對被測面進行衍磨或拋光。
6、被測體表面殘磁效應對傳感器的影響:
電渦流效應主要集中在被測體表面,如果由于加工過程中形成殘磁效應,以及淬火不均勻、硬度不均勻、金相組織不均勻、結晶結構不均勻等都會影響傳感器特性。在進行振動測量時,如果被測體表面殘磁效應過大,會出現測量波形發生畸變。
7、被測體表面鍍層對傳感器的影響:
被測體表面的鍍層對傳感器的影響相當于改變了被測體材料,視其鍍層的材質、厚薄,傳感器的靈敏度會略有變化。
8、被測體表面尺寸對傳感器的影響:
由于探頭線圈產生的磁場范圍是一定的,而被測體表面形成的渦流場也是一定的。這樣就對被測體表面大小有一定要求。為了防止電渦流產生的磁場影響儀器的正常輸出安裝時傳感器頭部四周必須留有一定范圍的非導電介質空間,如果在某一部位要同時安裝兩個以上的傳感器,就必須考慮是否會產生交叉干擾,兩個探頭之間一定要保持規定的距離。
通常,當被測體表面為平面時,以正對探頭中心線的點為中心,被測面直徑應大于探頭頭部直徑的1.5倍以上;當被測體為圓軸且探頭中心線與軸心線正交時,一般要求被測軸直徑為探頭頭部直徑的3倍以上,否則傳感器的靈敏度會下降,被測體表面越小,靈敏度下降越多。當被測體表面大小與探頭頭部直徑相同,其靈敏度會下降到72%左右。被測體的厚度也會影響測量結果。被測體中電渦流場作用的深度由頻率、材料導電率、導磁率決定。因此如果被測體太薄,將會造成電渦流作用不夠,使傳感器靈敏度下降,一般要求厚度大于0.1mm以上的鋼等導磁材料及厚度大于0.05mm以上的銅、鋁等弱導磁材料,則靈敏度不會受其厚度的影響。
9、高頻同軸電纜對傳感器的影響:
高頻同軸電纜也是影響電渦流傳感器電氣性能的一個主要原因。由于傳感器工作在高頻狀態(振蕩頻率約1MHZ左右),所以高頻同軸電纜的頻率衰減、溫度特性、阻抗、長度等都成為影響傳感器性能的因素!
10、外界磁場對傳感器的影響:
電渦流傳感器屬于電感式傳感器,由于其主要作用原理就是電渦流效應,所以,對于外界磁場的影響在工程應用中應該充分考慮!強的外界磁場肯定會影響傳感器的性能。
對于外界靜磁場,由于靜磁場強度是一定的,方向與渦流磁場可能呈現現各種狀況,而一旦外界靜磁場方向確定,其對渦流磁場的干擾也是一定的了。所以在實際的工程應用中,靜磁場的影響可以通過現場的試驗測量出傳感器靈敏度的變化,通過后續電路或軟件算法排除。
對于外界交變磁場,例如大型勵磁機、頻繁啟動的大型電機、啟動機等,其磁場方向和強度都可能不是一個確定的值,因而產生的交變磁場對渦流磁場的影響也是交變的。所以,在工程應用中應該盡量使電渦流傳感器遠離交變磁場的作用范圍,或采取磁場屏蔽措施使產生的影響zui小。



